Wybór odpowiedniego falownika off-grid to jedna z najważniejszych decyzji, jaką musisz podjąć, budując swoją niezależność energetyczną. To serce każdej instalacji wyspowej, odpowiedzialne za przekształcanie energii i zasilanie Twoich urządzeń. Ten artykuł to kompleksowy poradnik, który pomoże Ci zrozumieć kluczowe aspekty, parametry techniczne i funkcje, abyś mógł podjąć świadomą decyzję i cieszyć się niezawodnym systemem.
Wybór falownika off-grid: kluczowe cechy dla niezawodnej i wydajnej instalacji
- Współczesne instalacje off-grid często opierają się na falownikach hybrydowych, oferujących elastyczność w pracy z siecią, agregatem lub w trybie wyspowym.
- Systemy wysokiego napięcia (np. 48V) są rekomendowane ze względu na wyższą wydajność i minimalizację strat energii.
- Absolutnym standardem jest falownik z czystą sinusoidą, gwarantujący bezpieczne zasilanie wrażliwej elektroniki.
- Kluczowa jest kompatybilność z nowoczesnymi magazynami energii, zwłaszcza akumulatorami LiFePO4, oraz wbudowany regulator ładowania MPPT.
- Wybieraj falowniki o mocy ciągłej dopasowanej do zapotrzebowania (zwykle 3-10 kW) i wysokiej mocy chwilowej do uruchamiania urządzeń z dużym prądem rozruchowym.
- Dodatkowe funkcje, takie jak praca równoległa, monitoring Wi-Fi czy funkcja "zimnego startu", znacząco podnoszą komfort i bezpieczeństwo użytkowania.

Czym jest falownik off-grid i dlaczego jego wybór jest kluczowy?
Falownik off-grid, nazywany również falownikiem wyspowym, pełni fundamentalną rolę w każdej instalacji fotowoltaicznej działającej poza siecią energetyczną. Jego głównym zadaniem jest konwersja prądu stałego (DC) generowanego przez panele fotowoltaiczne lub magazynowanego w akumulatorach na prąd zmienny (AC), który jest niezbędny do zasilania większości urządzeń elektrycznych w Twoim domu czy domku letniskowym. To właśnie falownik jest tym elementem, który sprawia, że energia słoneczna staje się użyteczna dla Twoich odbiorników. Można śmiało powiedzieć, że jest on sercem całej instalacji wyspowej, decydującym o jej stabilności i funkcjonalności.Na rynku dostępne są różne typy falowników: on-grid, off-grid i hybrydowe. Falowniki on-grid są przeznaczone do współpracy z siecią publiczną, oddając do niej nadwyżki energii. Falowniki off-grid, jak sama nazwa wskazuje, działają całkowicie niezależnie od sieci, polegając wyłącznie na energii z paneli i akumulatorów. Jednak to falowniki hybrydowe off-grid zyskują obecnie największą popularność, zwłaszcza w Polsce, co wynika z ich niezrównanej elastyczności. Mogą one pracować w trybie wyspowym, ale jednocześnie oferują możliwość podłączenia do sieci energetycznej (jeśli jest dostępna) lub do agregatu prądotwórczego. Ta wszechstronność zapewnia nie tylko niezależność, ale i dodatkowe bezpieczeństwo energetyczne, co jest dla wielu użytkowników kluczowe.
| Typ falownika | Główne zastosowanie | Kluczowe cechy |
|---|---|---|
| Falownik on-grid | Instalacje podłączone do sieci publicznej | Brak możliwości pracy bez sieci, brak obsługi akumulatorów, oddawanie nadwyżek do sieci. |
| Falownik off-grid | Instalacje całkowicie niezależne od sieci (wyspowe) | Współpraca z akumulatorami, brak możliwości podłączenia do sieci (lub tylko jako wejście AC), zapewnia niezależność. |
| Falownik hybrydowy | Instalacje z możliwością pracy wyspowej, z siecią i agregatem | Największa elastyczność, obsługa akumulatorów, możliwość ładowania z sieci/agregatu, zasilanie awaryjne (UPS). |
Niedopasowanie falownika do Twoich potrzeb i specyfiki instalacji może prowadzić do szeregu negatywnych konsekwencji. Może to być uszkodzenie wrażliwych urządzeń elektronicznych, niestabilne zasilanie objawiające się migotaniem świateł czy wyłączaniem się sprzętów, a także szybkie zużycie akumulatorów, co generuje dodatkowe koszty. W skrajnych przypadkach niewłaściwy falownik może po prostu nie być w stanie zasilić wszystkich potrzebnych odbiorników, niwecząc całą ideę niezależności energetycznej. Dlatego tak ważne jest, aby poświęcić czas na dokładne zrozumienie swoich wymagań i wybór odpowiedniego urządzenia.
Jak precyzyjnie określić swoje zapotrzebowanie na energię?
Zanim zaczniesz przeglądać oferty falowników, musisz dokładnie wiedzieć, ile energii potrzebujesz. To podstawa do wyboru urządzenia o odpowiedniej mocy. Proces audytu energetycznego wcale nie musi być skomplikowany. Wystarczy, że podejdziesz do niego metodycznie:
- Zidentyfikuj wszystkie urządzenia elektryczne: Sporządź listę wszystkich urządzeń, które planujesz zasilać z instalacji off-grid. Pamiętaj o tych, które działają stale (np. lodówka, router), jak i tych używanych sporadycznie (np. czajnik, suszarka do włosów, elektronarzędzia).
- Określ moc każdego urządzenia: Na tabliczkach znamionowych lub w instrukcjach obsługi znajdziesz informację o mocy (w watach W lub kilowatach kW) każdego urządzenia. Jeśli podana jest moc w amperach (A) i napięcie (V), pomnóż je, aby uzyskać moc (P = U * I).
- Oszacuj czas pracy: Dla każdego urządzenia określ, jak długo będzie pracować w ciągu doby. Pamiętaj o urządzeniach, które włączają się cyklicznie, jak lodówka czy pompa wody.
Na podstawie zebranych danych możesz obliczyć wymaganą moc ciągłą i moc chwilową. Moc ciągła to suma mocy wszystkich urządzeń, które będą pracować jednocześnie. Przykładowo, jeśli jednocześnie włączysz lodówkę (150 W), oświetlenie (100 W), telewizor (80 W) i laptopa (60 W), potrzebujesz falownika o mocy ciągłej co najmniej 390 W. Jednak znacznie ważniejsza jest moc chwilowa (szczytowa), która jest potrzebna do uruchomienia urządzeń z dużym prądem rozruchowym. Silniki elektryczne, takie jak w lodówkach, pompach, pralkach czy elektronarzędziach, w momencie startu mogą pobierać nawet kilkukrotnie więcej mocy niż ich moc znamionowa. Przykładowo, lodówka o mocy 150 W może w momencie startu potrzebować nawet 1000 W. Jeśli masz pompę wodną o mocy 800 W, jej rozruch może wymagać 2000-3000 W. Dlatego tak istotne jest, aby falownik miał wysoką przeciążalność, czyli zdolność do krótkotrwałego dostarczenia znacznie większej mocy niż jego moc znamionowa. Z moich obserwacji wynika, że falowniki z przeciążalnością na poziomie 2x mocy znamionowej przez kilka sekund to absolutne minimum, a im wyższa, tym lepiej dla komfortu użytkowania.
Zawsze podkreślam moim klientom, że warto myśleć perspektywicznie. Twoje potrzeby energetyczne mogą wzrosnąć w przyszłości. Dlatego sugeruję wybór falownika z pewnym zapasem mocy (np. 20-30% więcej niż aktualne wyliczenia) lub urządzenia, które oferuje możliwość pracy równoległej. Ta funkcja pozwala na połączenie kilku falowników w celu zwiększenia całkowitej mocy wyjściowej systemu, co jest idealnym rozwiązaniem, jeśli planujesz rozbudowę instalacji w późniejszym czasie.

Kluczowe parametry techniczne falownika off-grid: Twoja checklista zakupowa
Rozumienie specyfikacji technicznej falownika to klucz do wyboru odpowiedniego modelu. Dwa najważniejsze parametry, które musisz wziąć pod uwagę, to moc ciągła i moc szczytowa (przeciążalność). Moc ciągła to maksymalna moc, jaką falownik może dostarczać przez długi czas, zasilając jednocześnie wszystkie włączone urządzenia. Moc szczytowa, jak już wspomniałem, to zdolność falownika do krótkotrwałego dostarczenia znacznie większej mocy, niezbędnej do uruchomienia urządzeń z silnikami elektrycznymi. Przykładami takich urządzeń są lodówki, zamrażarki, pompy wodne, odkurzacze, pralki, a także elektronarzędzia takie jak wiertarki czy szlifierki. Oba parametry są ważne, ale to właśnie wysoka moc szczytowa często decyduje o tym, czy dany falownik będzie w stanie bez problemu uruchomić wszystkie Twoje odbiorniki, bez ryzyka przeciążenia czy wyłączenia się.
Kolejnym absolutnie kluczowym parametrem jest rodzaj generowanej fali prądu zmiennego. W nowoczesnych instalacjach off-grid niezbędna jest czysta sinusoida (pełny sinus). Czysta sinusoida to przebieg prądu zmiennego, który jest identyczny z tym, jaki dostarczany jest z publicznej sieci energetycznej. Jest to gwarancja bezpiecznego i stabilnego zasilania dla wszystkich Twoich urządzeń, w szczególności dla wrażliwej elektroniki, takiej jak laptopy, telewizory, sprzęt audio-video, ładowarki do smartfonów, a także nowoczesne AGD (pralki, zmywarki z zaawansowaną elektroniką). Falowniki z modyfikowaną sinusoidą to rozwiązanie przestarzałe i niezalecane. Mogą one powodować przegrzewanie się urządzeń, zakłócenia w ich pracy, a nawet ich trwałe uszkodzenie. Używanie ich to proszenie się o problemy i niepotrzebne koszty napraw czy wymiany sprzętu.Wybór napięcia systemowego to również istotna kwestia, która wpływa na wydajność i koszty instalacji. Mamy do wyboru systemy 12V, 24V i 48V:
- System 12V: Najprostszy i najtańszy w początkowej fazie, idealny do małych instalacji (np. kampery, małe domki letniskowe) z niewielkim zapotrzebowaniem na moc. Wiąże się z dużymi prądami, co wymaga grubych przewodów i generuje większe straty energii.
- System 24V: Kompromis między 12V a 48V. Lepsza wydajność niż 12V, mniejsze straty, nadal stosunkowo prosta konfiguracja. Dobry do średniej wielkości instalacji.
- System 48V: Coraz popularniejszy i rekomendowany do większości domowych instalacji off-grid. Oferuje największą wydajność, minimalizuje straty energii (niższe prądy przy tej samej mocy), co pozwala na stosowanie cieńszych i tańszych przewodów. Jest bardziej skalowalny i lepiej współpracuje z nowoczesnymi akumulatorami litowo-jonowymi.
W nowoczesnych falownikach off-grid kluczowy jest również wbudowany regulator ładowania MPPT (Maximum Power Point Tracking). Regulator MPPT to zaawansowane urządzenie, które optymalizuje proces ładowania akumulatorów z paneli fotowoltaicznych. Jego zadaniem jest śledzenie punktu mocy maksymalnej paneli, co pozwala na maksymalne wykorzystanie energii słonecznej, niezależnie od warunków pogodowych czy temperatury. W porównaniu do starszych regulatorów PWM, MPPT jest znacznie bardziej efektywny, zwłaszcza w zmiennych warunkach oświetleniowych, co przekłada się na szybsze i pełniejsze ładowanie akumulatorów oraz większą ogólną wydajność systemu.
Współpraca falownika z magazynem energii: Jak uniknąć kosztownych błędów?
Falownik off-grid to tylko jeden element układanki. Równie ważna jest jego współpraca z magazynem energii, czyli akumulatorami. Kluczowa jest kompatybilność falownika z różnymi typami akumulatorów. Obecnie na rynku dominują akumulatory litowo-jonowe, a w szczególności LiFePO4 (litowo-żelazowo-fosforanowe). To one są przyszłością magazynowania energii ze względu na swoją długą żywotność (tysiące cykli ładowania/rozładowania), wysoką wydajność, bezpieczeństwo (mniejsze ryzyko pożaru niż w innych technologiach litowych) i możliwość głębokiego rozładowania bez uszczerbku na trwałości. Oczywiście, falowniki mogą współpracować również z innymi typami akumulatorów, takimi jak AGM (Absorbent Glass Mat) czy GEL, które są tańsze, ale mają krótszą żywotność i mniejszą tolerancję na głębokie rozładowania. Zawsze upewnij się, że wybrany falownik ma odpowiednie profile ładowania dla typu akumulatorów, które zamierzasz zastosować.
Nowoczesne falowniki oferują zaawansowane funkcje związane z zarządzaniem baterią, które znacząco wpływają na jej żywotność i bezpieczeństwo użytkowania:
- Kontrola napięcia ładowania: Precyzyjne dostosowanie napięcia do fazy ładowania akumulatora, zapobiegające przeładowaniu lub niedoładowaniu.
- Kontrola prądu ładowania: Regulacja prądu, aby zapewnić optymalne tempo ładowania i ochronić akumulator przed uszkodzeniem.
- Monitorowanie temperatury: Ochrona akumulatorów przed przegrzaniem, co jest kluczowe dla ich bezpieczeństwa i trwałości.
- Komunikacja z BMS akumulatora: W przypadku akumulatorów LiFePO4, falownik często komunikuje się z systemem zarządzania baterią (BMS), co pozwala na jeszcze precyzyjniejsze zarządzanie i optymalizację pracy całego systemu.
Jednym z największych zagrożeń dla żywotności akumulatorów jest ich głębokie rozładowanie. Wielokrotne rozładowywanie akumulatorów poniżej zalecanego poziomu (np. poniżej 50% dla AGM/GEL lub 20% dla LiFePO4) drastycznie skraca ich żywotność. Dobry falownik off-grid posiada wbudowane zabezpieczenia, takie jak automatyczne odcięcie zasilania przy niskim napięciu akumulatorów. Ta funkcja chroni magazyn energii przed uszkodzeniem, wyłączając odbiorniki, zanim akumulatory zostaną zbyt głęboko rozładowane. To kluczowy element, który zapewni długie i bezproblemowe działanie Twojej instalacji.
Funkcje dodatkowe, które podnoszą komfort i bezpieczeństwo
Wybierając falownik off-grid, warto zwrócić uwagę na szereg dodatkowych funkcji, które mogą znacząco podnieść komfort użytkowania i bezpieczeństwo Twojej instalacji. Jedną z nich jest możliwość współpracy falownika hybrydowego off-grid z agregatem prądotwórczym. Dzięki specjalnemu wejściu AC, falownik może automatycznie uruchomić agregat, gdy poziom naładowania akumulatorów spadnie poniżej ustalonego progu lub gdy zapotrzebowanie na energię przekroczy możliwości paneli i akumulatorów. Agregat może wówczas doładować akumulatory lub bezpośrednio zasilić odbiorniki, zapewniając dodatkowe źródło zasilania awaryjnego i zwiększając bezpieczeństwo energetyczne.
W dobie inteligentnych rozwiązań, funkcja monitoringu jest niemal obowiązkowa. Większość nowoczesnych falowników oferuje możliwość monitorowania pracy instalacji przez Wi-Fi, za pomocą dedykowanych aplikacji mobilnych lub platform internetowych. Dzięki temu możesz w czasie rzeczywistym śledzić produkcję energii z paneli, zużycie energii przez odbiorniki, stan naładowania akumulatorów, a także historię pracy systemu. Taki monitoring pozwala na szybką reakcję w przypadku awarii, optymalizację zużycia energii i pełną kontrolę nad Twoją niezależnością energetyczną.
Dla osób planujących rozbudowę systemu w przyszłości lub mających duże zapotrzebowanie na moc, niezwykle przydatna jest funkcja pracy równoległej. Umożliwia ona połączenie kilku identycznych falowników w celu zwiększenia całkowitej mocy wyjściowej systemu. Przykładowo, jeśli potrzebujesz 9 kW mocy, a pojedynczy falownik oferuje maksymalnie 5 kW, możesz połączyć dwa falowniki 5 kW w trybie równoległym, uzyskując 10 kW mocy. To elastyczne rozwiązanie, które pozwala skalować instalację w miarę rosnących potrzeb, bez konieczności wymiany całego urządzenia.
Ranking i przegląd polecanych modeli falowników off-grid
Wybór marki falownika to często kwestia budżetu i oczekiwań co do niezawodności oraz funkcji. Na rynku znajdziesz zarówno rozwiązania premium, jak i te bardziej ekonomiczne.
Jeśli priorytetem jest dla Ciebie absolutna niezawodność, najwyższa jakość i zaawansowane funkcje, warto rozważyć marki premium takie jak Victron Energy, SMA czy Fronius. Są to liderzy rynku, których produkty charakteryzują się:
- Wyjątkową trwałością i niezawodnością: Zbudowane z komponentów najwyższej jakości, projektowane do pracy w trudnych warunkach.
- Zaawansowanymi algorytmami: Optymalizują pracę systemu, maksymalizując wydajność i żywotność akumulatorów.
- Długą żywotnością i wsparciem technicznym: Oferują długie gwarancje i profesjonalne wsparcie posprzedażowe.
- Szerokim zakresem funkcji: Często posiadają wbudowane funkcje, których brakuje w tańszych modelach.
Dla większości użytkowników domowych, którzy szukają dobrego stosunku ceny do jakości, polecam popularne marki takie jak Sofar Solar czy Growatt. Te firmy zdobyły dużą popularność na polskim rynku dzięki:
- Solidnej jakości w rozsądnej cenie: Oferują sprawdzone rozwiązania, które są znacznie bardziej przystępne cenowo niż premium.
- Dobrym parametrom technicznym: Większość modeli oferuje czystą sinusoidę, wbudowany MPPT i możliwość pracy hybrydowej.
- Szerokiej dostępności i serwisowi: Łatwo dostępne w sprzedaży, z rozbudowaną siecią serwisową.
- Dostosowaniu do potrzeb rynku: Często wprowadzają funkcje poszukiwane przez polskich użytkowników, np. rozbudowane opcje monitoringu.
Jeśli Twój budżet jest ograniczony, a wymagania techniczne nie są bardzo wysokie, możesz rozważyć rozwiązania budżetowe oferowane przez takie marki jak Volt Polska czy Azo Digital. Trzeba jednak być świadomym ich ograniczeń:
- Niższa cena: To ich główna zaleta, umożliwiająca wejście w świat off-grid przy mniejszym nakładzie finansowym.
- Podstawowe funkcje: Często oferują tylko podstawowe funkcje, bez zaawansowanych opcji monitoringu czy elastyczności.
- Potencjalnie niższa trwałość: Mogą być mniej odporne na trudne warunki pracy i mieć krótszą żywotność.
Przeczytaj również: Niemcy: Zero elektrowni atomowych. Jakie są skutki Atomausstieg?
Montaż i użytkowanie: najczęstsze pułapki i jak ich uniknąć
Nawet najlepszy falownik nie będzie działał poprawnie, jeśli nie zostanie odpowiednio zamontowany i zabezpieczony. Pamiętaj o kilku kluczowych wskazówkach dotyczących optymalnego miejsca montażu:
- Wentylacja: Falowniki generują ciepło. Zapewnij im odpowiednią cyrkulację powietrza, unikając ciasnych, zamkniętych przestrzeni.
- Temperatura: Montuj falownik w miejscu, gdzie temperatura otoczenia mieści się w zakresie podanym przez producenta (zazwyczaj 0-40°C). Unikaj bezpośredniego nasłonecznienia.
- Ochrona przed wilgocią i kurzem: Falownik powinien być chroniony przed deszczem, śniegiem, wysoką wilgotnością i nadmiernym zapyleniem. Pomieszczenia gospodarcze, garaże czy specjalnie przygotowane szafki są zazwyczaj dobrym wyborem.
- Dostępność: Zapewnij łatwy dostęp do falownika w celu monitoringu, konserwacji i ewentualnego serwisu.
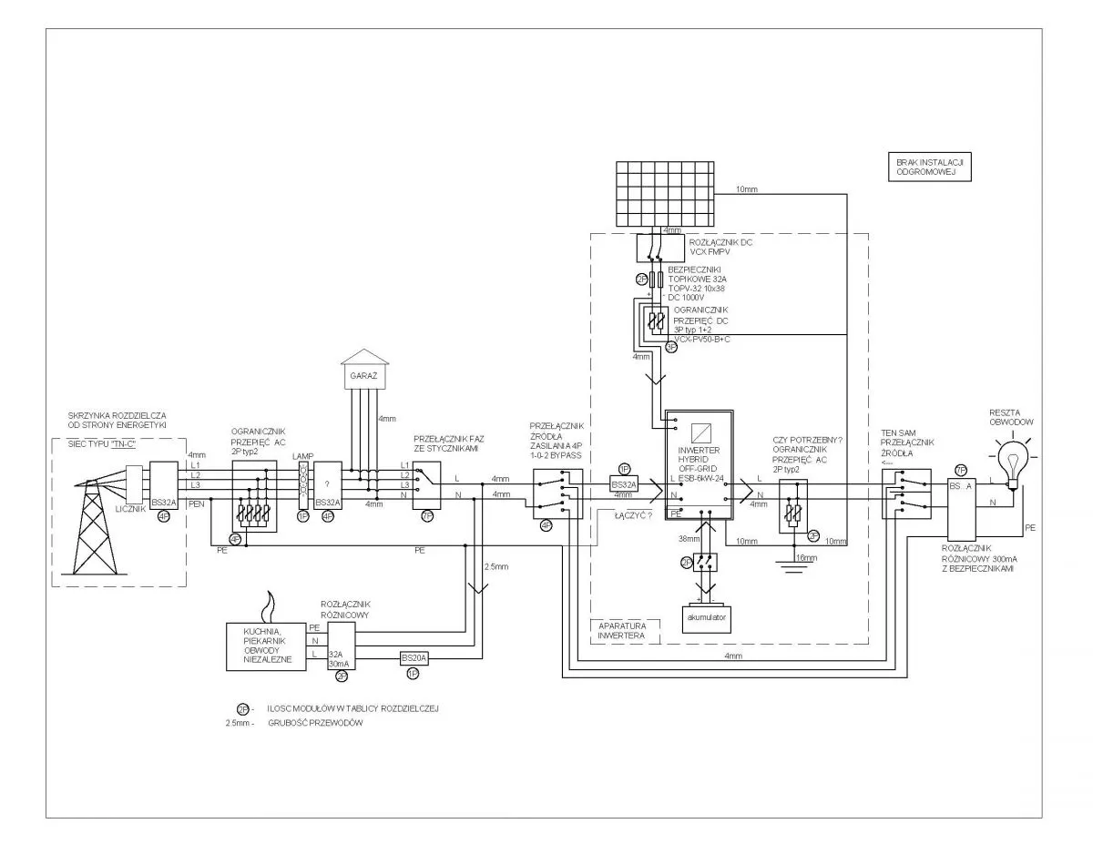
Bezpieczeństwo elektryczne to podstawa. Niezwykle ważne jest zastosowanie odpowiednich zabezpieczeń elektrycznych zarówno po stronie DC (prąd stały), jak i AC (prąd zmienny). Po stronie DC, czyli między panelami a falownikiem oraz między falownikiem a akumulatorami, musisz zastosować rozłączniki DC oraz bezpieczniki topikowe DC. Po stronie AC, czyli między falownikiem a instalacją domową, niezbędne są wyłączniki nadprądowe (tzw. "eski") oraz wyłączniki różnicowoprądowe (RCD). Nie zapomnij również o ogranicznikach przepięć (SPD), które chronią sprzęt przed skutkami wyładowań atmosferycznych. Prawidłowo dobrane zabezpieczenia chronią nie tylko sam falownik i akumulatory, ale przede wszystkim użytkowników i całą instalację domową przed zwarciami, przeciążeniami i porażeniem prądem.
Z mojego doświadczenia wynika, że najczęstsze błędy popełniane przez początkujących użytkowników systemów off-grid to:
- Niedoszacowanie mocy falownika: Wybór zbyt słabego urządzenia, które nie radzi sobie z prądami rozruchowymi.
- Brak czystej sinusoidy: Stosowanie falowników z modyfikowaną sinusoidą, co prowadzi do uszkodzeń sprzętu.
- Złe dopasowanie akumulatorów: Używanie akumulatorów niekompatybilnych z falownikiem lub niedostosowanych do wymagań systemu.
- Brak odpowiednich zabezpieczeń: Pominięcie lub niewłaściwy dobór zabezpieczeń DC i AC, co stwarza ryzyko awarii i zagrożenie dla bezpieczeństwa.
- Ignorowanie monitoringu: Brak regularnego sprawdzania pracy systemu, co utrudnia wczesne wykrywanie problemów.
