Prawidłowe podłączenie inwertera hybrydowego klucz do bezpieczeństwa i efektywności instalacji PV
- Instalacja inwertera hybrydowego wymaga precyzji, wiedzy elektrycznej oraz ścisłego przestrzegania instrukcji producenta i obowiązujących norm.
- Kluczowa jest prawidłowa kolejność podłączania komponentów: najpierw uziemienie, następnie akumulatory, obwody AC (wyjście awaryjne, potem sieć), a na końcu panele fotowoltaiczne.
- Należy zwrócić szczególną uwagę na odpowiednie zabezpieczenia strony DC i AC oraz unikać krytycznych błędów, takich jak odwrócona polaryzacja czy mostkowanie N i PE na wyjściu awaryjnym.
- Instalacja musi być wykonana przez osobę posiadającą odpowiednie uprawnienia SEP do 1 kV i zgłoszona do Operatora Sieci Dystrybucyjnej (OSD).
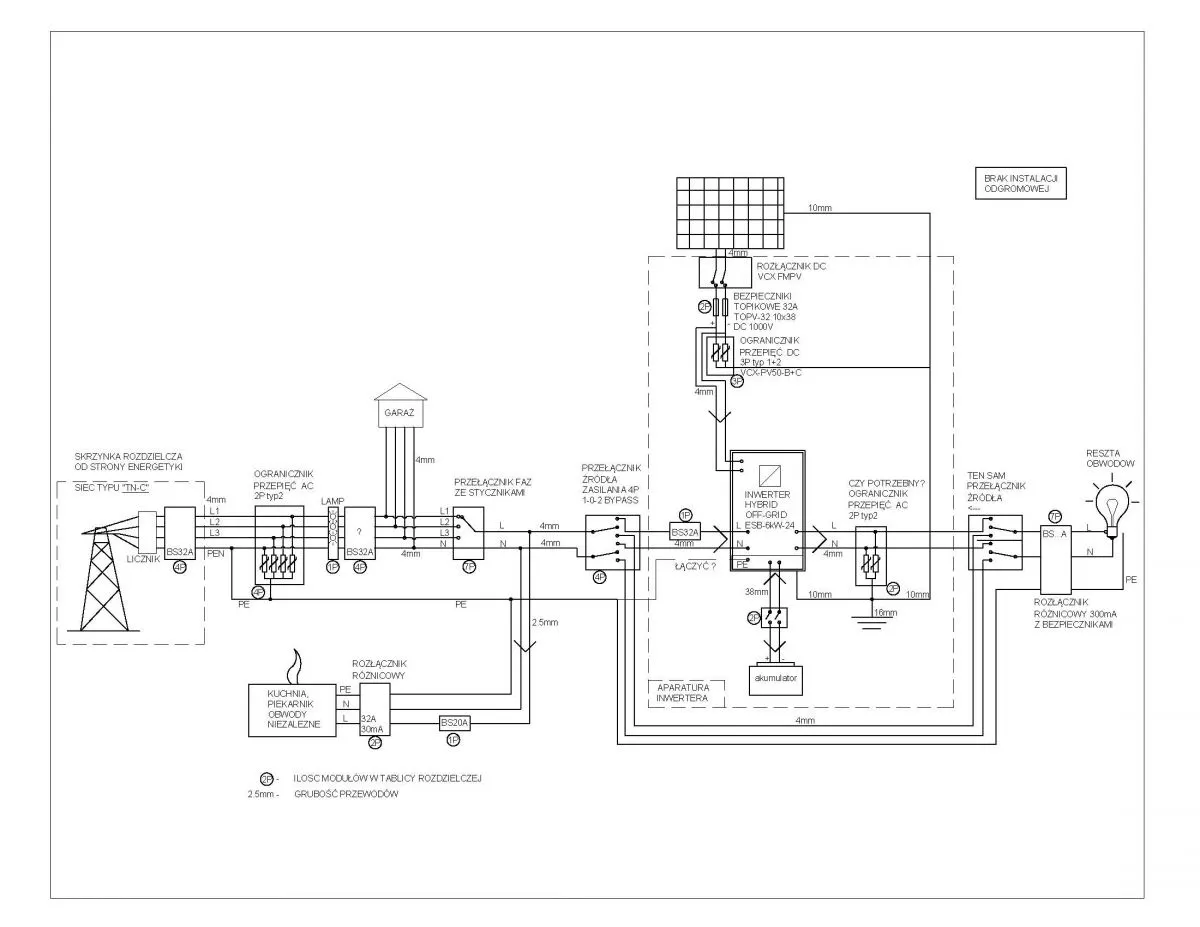
- Schemat połączeń obejmuje obwody prądu stałego (panele PV, akumulatory), obwody prądu zmiennego (sieć, instalacja domowa) oraz połączenia komunikacyjne (BMS, LAN/WiFi).
Weryfikacja uprawnień i zgodności z prawem: Kto może legalnie podłączyć falownik?
Zanim w ogóle pomyślisz o podłączaniu inwertera hybrydowego, musisz wiedzieć, że w Polsce tego typu prace mogą być wykonywane wyłącznie przez osoby posiadające odpowiednie kwalifikacje. Mówimy tu o uprawnieniach SEP (Stowarzyszenie Elektryków Polskich) do 1 kV, zarówno w zakresie eksploatacji (E), jak i dozoru (D). To nie jest tylko formalność, ale przede wszystkim kwestia bezpieczeństwa Twojego, Twojej rodziny i całego mienia. Niewłaściwie wykonana instalacja może prowadzić do poważnych zagrożeń, takich jak porażenie prądem, pożar, czy uszkodzenie sprzętu. Pamiętaj, że przestrzeganie norm i przepisów prawnych jest fundamentem legalności i bezpieczeństwa całej instalacji fotowoltaicznej.
Niezbędne narzędzia i materiały: Twoja lista kontrolna
Przygotowanie to podstawa sukcesu każdej instalacji. Zanim przystąpisz do pracy, upewnij się, że masz pod ręką wszystkie niezbędne narzędzia i materiały. Oto lista, która powinna Ci w tym pomóc:
- Miernik uniwersalny (multimetr): Niezbędny do sprawdzania napięć i ciągłości obwodów.
- Klucze i wkrętaki izolowane: Do bezpiecznego montażu i podłączania.
- Ściągacz izolacji i zaciskarka do złącz MC4: Do precyzyjnego przygotowania kabli PV.
- Kable solarne DC: Odpowiednie przekroje (np. 4 mm² lub 6 mm²) i odporność na UV.
- Kable AC: Odpowiednie przekroje do podłączenia sieci i obwodów domowych.
- Złączki MC4: Do łączenia paneli fotowoltaicznych.
- Zaciski kablowe, opaski, peszle: Do estetycznego i bezpiecznego prowadzenia okablowania.
- Zabezpieczenia DC: Wyłączniki nadprądowe DC, ograniczniki przepięć DC (SPD).
- Zabezpieczenia AC: Wyłączniki nadprądowe AC, wyłącznik różnicowoprądowy (RCD), ograniczniki przepięć AC (SPD).
- Uziemienie: Przewód uziemiający, szyna wyrównawcza, ewentualnie uziom.
- Środki ochrony osobistej: Rękawice izolacyjne, okulary ochronne, obuwie ochronne.
Pamiętaj, że dobór odpowiednich przekrojów kabli i zabezpieczeń jest absolutnie kluczowy dla bezpieczeństwa i efektywności Twojej instalacji. Zawsze kieruj się instrukcją producenta inwertera oraz obowiązującymi normami.
Bezpieczeństwo przede wszystkim: Jak uniknąć porażenia i uszkodzenia sprzętu?
Praca z prądem elektrycznym zawsze wiąże się z ryzykiem. Dlatego bezpieczeństwo musi być Twoim priorytetem. Zanim dotkniesz jakiegokolwiek elementu instalacji, upewnij się, że zasilanie zostało odłączone. To oznacza wyłączenie wszystkich zabezpieczeń, zarówno po stronie AC, jak i DC. Zawsze sprawdzaj brak napięcia miernikiem przed rozpoczęciem pracy. Pamiętaj o prawidłowym uziemieniu inwertera to fundament bezpieczeństwa, który chroni przed porażeniem w przypadku awarii. Stosowanie środków ochrony osobistej, takich jak rękawice izolacyjne i okulary ochronne, to absolutna podstawa. Ryzyko porażenia prądem jest realne i może mieć tragiczne konsekwencje, a zaniedbania mogą również doprowadzić do nieodwracalnego uszkodzenia drogiego sprzętu. Nie spiesz się, bądź precyzyjny i zawsze myśl o bezpieczeństwie.
Zrozumieć serce systemu: Omówienie kluczowych złącz i portów Twojego inwertera
Inwerter hybrydowy to centrum Twojej instalacji PV. Zrozumienie jego złącz i portów jest kluczowe do prawidłowego podłączenia. Oto typowe elementy, które znajdziesz na większości modeli:- Wejścia PV (DC): Zazwyczaj kilka par złącz MC4 (+/-) do podłączenia paneli fotowoltaicznych. Mogą być oznaczone jako MPPT1, MPPT2 itd., co oznacza niezależne śledzenie maksymalnego punktu mocy dla różnych stringów paneli.
- Złącza akumulatorów (DC): Duże złącza śrubowe lub specjalne konektory do podłączenia magazynu energii. Zawsze są oznaczone polaryzacją (+/-).
- Wejście sieciowe (AC Grid): Złącze do podłączenia inwertera do publicznej sieci energetycznej. To tędy energia z sieci jest pobierana, a nadwyżki energii są do niej oddawane.
- Wyjście awaryjne (AC EPS/Backup/Off-Grid): Złącze do podłączenia wydzielonych obwodów domowych, które mają być zasilane w przypadku awarii sieci. To kluczowa funkcja inwertera hybrydowego.
-
Porty komunikacyjne (BMS, LAN/WiFi, RS485):
- BMS (Battery Management System): Złącze (np. CAN, RS485) do komunikacji z systemem zarządzania akumulatorami. Jest to niezbędne do prawidłowego ładowania i rozładowywania baterii oraz monitorowania ich stanu.
- LAN/WiFi: Port Ethernet lub wbudowany moduł WiFi do połączenia z siecią domową i internetem, umożliwiający monitorowanie pracy instalacji przez aplikację lub portal producenta.
- RS485/Modbus: Często używane do podłączenia zewnętrznego licznika energii (smart meter) lub innych urządzeń peryferyjnych.
Każde z tych złącz ma swoją specyficzną rolę w zarządzaniu przepływem energii i komunikacją. Dokładne zapoznanie się z instrukcją obsługi Twojego modelu inwertera jest absolutnie obowiązkowe, ponieważ oznaczenia i typy złącz mogą się różnić.

Schemat podłączenia inwertera hybrydowego: Zrozumieć mapę Twojej instalacji
Zrozumienie schematu połączeń to jak czytanie mapy drogowej dla Twojej instalacji. Pozwala to na świadome i bezpieczne podłączenie każdego elementu. Przyjrzyjmy się bliżej, jak energia przepływa przez system i jakie obwody są kluczowe.
Architektura połączeń: Omówienie przepływu energii między PV, magazynem, siecią i domem
Inwerter hybrydowy to prawdziwe centrum dowodzenia energią w Twoim domu. Jego architektura połączeń została zaprojektowana tak, aby efektywnie zarządzać przepływem energii z różnych źródeł. Wyobraź sobie to tak: panele fotowoltaiczne (PV) generują prąd stały (DC), który trafia do inwertera. Tam jest on przetwarzany na prąd zmienny (AC) i w pierwszej kolejności zasila Twoje urządzenia domowe. Jeśli jest nadwyżka energii, inwerter skieruje ją do magazynu energii (akumulatorów) w celu naładowania. Dopiero gdy akumulatory są pełne, a domowe zapotrzebowanie zaspokojone, nadmiar energii może zostać oddany do publicznej sieci energetycznej. W odwrotnej sytuacji, gdy panele nie produkują wystarczającej ilości energii (np. w nocy), inwerter najpierw pobiera energię z akumulatorów, a dopiero potem z sieci. To właśnie ta inteligentna optymalizacja jest kluczową rolą inwertera hybrydowego.
Strona DC: Jak prawidłowo połączyć panele fotowoltaiczne i magazyn energii?
Podłączenie strony DC, czyli paneli fotowoltaicznych i akumulatorów, wymaga szczególnej uwagi. Zacznijmy od paneli. Pamiętaj o prawidłowej polaryzacji (+/-) to jeden z najczęstszych i najbardziej krytycznych błędów, który może nieodwracalnie uszkodzić falownik. Panele łączy się szeregowo, tworząc tzw. stringi, aby uzyskać odpowiednie napięcie wejściowe dla inwertera. Jeśli masz kilka stringów, mogą być one podłączone do różnych wejść MPPT inwertera. Zawsze sprawdź napięcie i prąd stringu przed podłączeniem do inwertera. Co do akumulatorów, ich podłączenie również wymaga precyzji. Oprócz prawidłowej polaryzacji, kluczowe jest podłączenie modułu BMS (Battery Management System). BMS komunikuje się z inwerterem, przekazując informacje o stanie naładowania, temperaturze i innych parametrach, co jest niezbędne do bezpiecznego i efektywnego zarządzania akumulatorami. Bez tej komunikacji inwerter nie będzie w stanie prawidłowo ładować ani rozładowywać magazynu energii.
Strona AC: Kluczowa różnica między przyłączem do sieci (Grid) a wyjściem awaryjnym (EPS/Backup)
Strona AC inwertera hybrydowego ma dwa główne obwody, które pełnią różne funkcje i muszą być podłączone w specyficzny sposób. Pierwszy to przyłącze do sieci energetycznej (AC Grid). To tutaj inwerter jest podłączony do Twojej domowej rozdzielnicy i dalej do publicznej sieci. Służy do pobierania energii z sieci, gdy jej brakuje, oraz do oddawania nadwyżek. Drugi obwód to wyjście awaryjne (AC EPS/Backup/Off-Grid). Jest to wydzielone wyjście, do którego podłączasz tylko te obwody w domu, które mają być zasilane w przypadku awarii sieci. Może to być lodówka, oświetlenie, pompa CO czyli urządzenia kluczowe dla komfortu i bezpieczeństwa. Ważne jest, aby te obwody były fizycznie odseparowane od reszty instalacji domowej. W trybie awaryjnym inwerter tworzy własną sieć, niezależną od publicznej, zasilając podłączone do niego urządzenia z paneli PV lub akumulatorów. Zrozumienie tej różnicy jest fundamentalne dla prawidłowego i bezpiecznego działania funkcji zasilania awaryjnego.
Komunikacja to podstawa: Podłączenie licznika energii i modułu BMS akumulatora
W nowoczesnych instalacjach PV komunikacja między urządzeniami jest równie ważna jak przepływ energii. Prawidłowe podłączenie modułów komunikacyjnych, takich jak BMS akumulatora i licznik energii (tzw. smart meter), jest kluczowe dla optymalnej pracy systemu. Jak już wspomniałem, BMS akumulatora jest niezbędny do zarządzania bateriami. Bez niego inwerter nie "wie", jak efektywnie i bezpiecznie ładować i rozładowywać akumulatory, co może prowadzić do ich szybkiego zużycia lub uszkodzenia. Licznik energii, podłączony zazwyczaj przez port RS485 lub Ethernet, dostarcza inwerterowi precyzyjnych danych o zużyciu energii w domu oraz o ilości energii pobieranej lub oddawanej do sieci. Dzięki tym informacjom inwerter może podejmować inteligentne decyzje, np. kiedy ładować akumulatory, kiedy zasilać dom z PV, a kiedy pobierać prąd z sieci. Prawidłowa komunikacja to podstawa monitorowania, optymalizacji i maksymalizacji autokonsumpcji.
Instalacja krok po kroku: Precyzyjny poradnik podłączania falownika
Teraz przejdźmy do sedna praktycznego podłączania inwertera. Pamiętaj, że każdy krok jest ważny, a kolejność ma kluczowe znaczenie dla bezpieczeństwa i prawidłowego działania systemu. Zawsze miej pod ręką instrukcję producenta Twojego inwertera.
Krok 1: Montaż fizyczny i uziemienie fundament stabilnej pracy
Pierwszym krokiem jest fizyczny montaż inwertera w odpowiednim miejscu. Wybierz suchą, dobrze wentylowaną przestrzeń, z dala od bezpośredniego światła słonecznego i źródeł ciepła. Upewnij się, że ściana lub stelaż, na którym montujesz inwerter, jest wystarczająco wytrzymały, aby udźwignąć jego ciężar. Po zamocowaniu urządzenia, absolutnie kluczowe jest prawidłowe uziemienie inwertera. Podłącz przewód uziemiający (PE) do dedykowanego zacisku na obudowie inwertera, a następnie do głównej szyny wyrównawczej w rozdzielnicy domowej lub bezpośrednio do uziomu. Prawidłowe uziemienie to fundament bezpieczeństwa, chroniący przed porażeniem prądem w przypadku awarii izolacji.
Krok 2: Podłączanie magazynu energii dlaczego ta kolejność jest krytyczna?
Po uziemieniu inwertera, kolejnym krokiem jest podłączenie akumulatorów (magazynu energii). Dlaczego ta kolejność jest tak krytyczna? Ponieważ większość inwerterów hybrydowych potrzebuje stabilnego źródła zasilania DC, aby prawidłowo zainicjować swoje wewnętrzne obwody i systemy komunikacyjne. Podłączając akumulatory jako drugie, dostarczasz inwerterowi niezbędne napięcie robocze. Upewnij się, że polaryzacja (+/-) jest absolutnie prawidłowa i że zaciski są mocno dokręcone. Następnie podłącz kabel komunikacyjny BMS między akumulatorem a inwerterem. Bez tej komunikacji, jak już wspomniałem, inwerter nie będzie w stanie prawidłowo zarządzać cyklami ładowania i rozładowywania akumulatorów, co może prowadzić do ich szybkiego uszkodzenia.
Krok 3: Integracja z domową rozdzielnicą podłączenie strony AC Grid i EPS
Teraz czas na podłączenie strony AC. Ten etap wymaga szczególnej precyzji i wiedzy elektrycznej. Będziesz integrował inwerter z domową rozdzielnicą. Najpierw podłącz wejście sieciowe (AC Grid) inwertera do odpowiednich zabezpieczeń w rozdzielnicy (wyłącznik nadprądowy, wyłącznik różnicowoprądowy, ogranicznik przepięć AC). Pamiętaj o prawidłowym podłączeniu fazy (L), neutralnego (N) i ochronnego (PE). Następnie podłącz wyjście awaryjne (AC EPS/Backup) inwertera do wydzielonych obwodów w rozdzielnicy, które mają być zasilane awaryjnie. Te obwody również muszą być zabezpieczone odpowiednimi wyłącznikami nadprądowymi i różnicowoprądowymi. Nigdy nie mostkuj N i PE na wyjściu awaryjnym to krytyczny błąd, o którym opowiem więcej później. Zawsze upewnij się, że wszystkie połączenia są solidne i bezpieczne.
Krok 4: Finałowe podłączenie paneli fotowoltaicznych (PV)
Ostatnim krokiem jest podłączenie paneli fotowoltaicznych. To jest celowe, że robimy to na końcu. Panele PV generują napięcie natychmiast po wystawieniu na światło słoneczne, a podłączenie ich jako ostatnie minimalizuje ryzyko przypadkowego porażenia prądem lub uszkodzenia inwertera podczas wcześniejszych etapów instalacji. Upewnij się, że polaryzacja (+/-) każdego stringu jest prawidłowa i że złączki MC4 są mocno zaciśnięte. Sprawdź napięcie i prąd każdego stringu za pomocą miernika uniwersalnego przed podłączeniem do inwertera. Po podłączeniu paneli, Twoja instalacja jest fizycznie gotowa do uruchomienia. Pamiętaj, aby zawsze postępować zgodnie z instrukcją producenta, która może zawierać specyficzne dla danego modelu zalecenia.

Najczęstsze błędy montażowe i jak ich uniknąć: Ucz się na cudzych potknięciach
Nawet doświadczonym instalatorom zdarzają się pomyłki, ale kluczem jest wyciąganie z nich wniosków. Chcę Cię przestrzec przed najczęstszymi błędami, które widziałem w swojej praktyce. Ich uniknięcie to gwarancja bezproblemowej i bezpiecznej pracy Twojego systemu.
Błąd krytyczny: Odwrócona polaryzacja na złączach DC jak tego nie zrobić?
To jest chyba najbardziej krytyczny błąd, jaki można popełnić przy podłączaniu inwertera hybrydowego. Odwrócenie polaryzacji (+/-) przy podłączaniu paneli PV lub akumulatorów do inwertera DC niemal zawsze prowadzi do nieodwracalnego uszkodzenia falownika. W najlepszym wypadku spali się bezpiecznik, ale często uszkodzenia są znacznie poważniejsze i wymagają wymiany całego urządzenia. Jak tego uniknąć? Przede wszystkim, zawsze sprawdzaj polaryzację miernikiem uniwersalnym przed podłączeniem. Złączki MC4 są zazwyczaj oznaczone, ale ludzki błąd jest możliwy. Bądź podwójnie ostrożny i nie spiesz się na tym etapie. Lepiej poświęcić kilka dodatkowych minut na weryfikację niż ponosić koszty wymiany drogiego sprzętu.Problem z zasilaniem awaryjnym: Dlaczego mostkowanie N i PE na wyjściu EPS to zły pomysł?
Ten błąd jest często popełniany przez mniej doświadczonych elektryków, którzy nie rozumieją specyfiki pracy inwertera w trybie off-grid. Wyjście awaryjne (Backup/EPS) inwertera w trybie zasilania awaryjnego tworzy własny punkt neutralny. Mostkowanie przewodu neutralnego (N) i ochronnego (PE) na tym wyjściu jest krytycznym błędem. Dlaczego? Ponieważ zakłóca to prawidłową pracę zabezpieczeń różnicowoprądowych (RCD). W sytuacji awarii, RCD nie zadziała poprawnie, co zwiększa ryzyko porażenia prądem. Ponadto, inwerter może zgłaszać błędy lub w ogóle nie działać w trybie awaryjnym. Pamiętaj, że w trybie off-grid inwerter jest źródłem zasilania, a jego wyjście EPS powinno być traktowane jako niezależny obwód, bez połączenia N z PE w punkcie odbioru. Właściwe połączenie PE powinno być wykonane tylko w głównej rozdzielnicy.
Niewłaściwy dobór przewodów i zabezpieczeń: Ciche zagrożenie dla Twojej instalacji
Niewłaściwy dobór przekroju przewodów to ciche, ale bardzo realne zagrożenie. Zbyt cienkie kable, niedostosowane do mocy i odległości, mogą prowadzić do przegrzewania się instalacji, spadków napięcia i w konsekwencji do ryzyka pożaru. To samo dotyczy zabezpieczeń. Brak odpowiednich wyłączników nadprądowych (zarówno po stronie DC, jak i AC), wyłączników różnicowoprądowych czy ograniczników przepięć (SPD) sprawia, że Twoja instalacja jest bezbronna wobec przeciążeń, zwarć czy wyładowań atmosferycznych. Zawsze dobieraj przekroje przewodów zgodnie z obowiązującymi normami i mocą instalacji. Zabezpieczenia są Twoją polisą ubezpieczeniową nigdy na nich nie oszczędzaj i upewnij się, że są prawidłowo dobrane i zainstalowane.
Pominięcie prawidłowej kolejności załączania napięć: Prosta droga do uszkodzenia inwertera
Po podłączeniu wszystkich komponentów, kluczowe jest prawidłowe załączenie napięć. Wielu instalatorów, zwłaszcza tych mniej doświadczonych, pomija tę procedurę lub wykonuje ją w złej kolejności. Pamiętaj, że najpierw załączamy zasilanie AC z sieci, potem akumulatory, a na końcu panele fotowoltaiczne (PV). Dlaczego? Ponieważ inwerter potrzebuje stabilnego zasilania AC, aby prawidłowo zainicjować swoje wewnętrzne procesy i synchronizować się z siecią. Podłączenie paneli PV jako pierwsze, bez wcześniejszego zasilenia inwertera z AC i akumulatorów, może spowodować błędy, a nawet uszkodzenie urządzenia. Zawsze przestrzegaj tej kolejności, a unikniesz niepotrzebnych problemów.
Pierwsze uruchomienie i konfiguracja: Ożywienie Twojej hybrydowej instalacji
Gdy wszystkie kable są podłączone, a zabezpieczenia na swoim miejscu, nadszedł ekscytujący moment pierwsze uruchomienie. To nie tylko włączenie zasilania, ale przemyślana procedura, która zapewni bezpieczeństwo i prawidłowe działanie systemu.
Procedura startowa: Bezpieczne załączanie napięć w prawidłowej kolejności
Jak już podkreślałem, kolejność ma znaczenie. Oto prawidłowa procedura załączania napięć po zakończeniu instalacji:
- Załączenie zasilania AC z sieci: Włącz wyłącznik główny AC w rozdzielnicy domowej, a następnie wyłączniki zabezpieczające obwód wejścia sieciowego (AC Grid) inwertera. Inwerter powinien się uruchomić i rozpocząć proces synchronizacji z siecią.
- Załączenie zasilania z akumulatorów: Jeśli akumulatory mają własny wyłącznik, załącz go. Inwerter powinien rozpoznać akumulatory i rozpocząć komunikację z BMS.
- Załączenie zasilania z paneli fotowoltaicznych: Na końcu załącz wyłączniki DC po stronie paneli fotowoltaicznych. Inwerter powinien zacząć monitorować produkcję energii z PV.
Po wykonaniu tych kroków inwerter powinien być w pełni uruchomiony i gotowy do pracy. Obserwuj jego wyświetlacz lub aplikację, aby upewnić się, że nie pojawiają się żadne błędy.
Konfiguracja przez aplikację: Ustawianie trybów pracy i parametrów sieci
Większość nowoczesnych inwerterów hybrydowych oferuje wygodną konfigurację za pośrednictwem aplikacji mobilnej (często przez Bluetooth lub WiFi) lub interfejsu webowego. To tutaj ustawiasz "mózg" swojego systemu. Kluczowe parametry do ustawienia to:
- Tryby pracy: Wybierz, jak inwerter ma zarządzać energią. Czy priorytetem jest autokonsumpcja (najpierw zasilanie domu z PV, potem ładowanie akumulatorów, na końcu oddawanie do sieci)? Czy może preferujesz ładowanie akumulatorów w określonych godzinach?
- Parametry sieci: Ustaw limity eksportu energii do sieci (jeśli takie są wymagane przez OSD), parametry napięcia i częstotliwości zgodne z lokalnymi normami.
- Harmonogramy ładowania/rozładowywania akumulatorów: Możesz ustawić, aby akumulatory ładowały się np. w godzinach niższych cen prądu, a rozładowywały w godzinach szczytu.
- Ustawienia komunikacji: Skonfiguruj połączenie z internetem, aby móc monitorować instalację zdalnie.
Dokładne zapoznanie się z instrukcją konfiguracji Twojego modelu inwertera jest niezbędne, ponieważ opcje mogą się znacznie różnić.
Weryfikacja poprawności działania: Co sprawdzić po uruchomieniu?
Po zakończeniu konfiguracji, musisz upewnić się, że wszystko działa prawidłowo. Oto lista kontrolna:
- Poprawność wskazań: Sprawdź na wyświetlaczu inwertera lub w aplikacji, czy wskazania napięć, prądów i mocy (zarówno z PV, akumulatorów, jak i sieci) są zgodne z oczekiwaniami.
- Brak komunikatów o błędach: Upewnij się, że inwerter nie wyświetla żadnych kodów błędów ani ostrzeżeń.
- Prawidłowe ładowanie i rozładowywanie akumulatorów: Obserwuj, czy akumulatory są ładowane, gdy jest nadwyżka energii, i rozładowywane, gdy jest zapotrzebowanie.
- Eksport lub import energii: Sprawdź, czy energia jest eksportowana do sieci lub importowana z niej zgodnie z Twoimi ustawieniami i aktualnym zapotrzebowaniem.
- Działanie zasilania awaryjnego (EPS/Backup): To bardzo ważny test. Odłącz zasilanie AC z sieci (np. wyłączając główny wyłącznik w rozdzielnicy) i sprawdź, czy inwerter przechodzi w tryb awaryjny i zasila podłączone do wyjścia EPS obwody.
Jeśli wszystkie te punkty są zgodne z oczekiwaniami, możesz uznać, że Twoja instalacja została uruchomiona poprawnie. Pamiętaj jednak, że regularne monitorowanie jest kluczowe dla długoterminowej, bezawaryjnej pracy.
Formalności po instalacji: Co musisz zgłosić, aby legalnie korzystać z systemu?
Zakończenie fizycznej instalacji to dopiero połowa sukcesu. Aby legalnie korzystać z Twojej hybrydowej instalacji fotowoltaicznej i móc rozliczać ewentualne nadwyżki energii, musisz dopełnić kilku formalności. To bardzo ważny etap, którego nie wolno pominąć.
Zgłoszenie mikroinstalacji do Operatora Sieci Dystrybucyjnej (OSD): Krok po kroku
W Polsce każda mikroinstalacja fotowoltaiczna (o mocy do 50 kW) musi zostać zgłoszona do Operatora Sieci Dystrybucyjnej (OSD), na którego terenie znajduje się Twoja nieruchomość. Jest to warunek konieczny do legalnego podłączenia do sieci i możliwości korzystania z systemu net-billing (rozliczania nadwyżek energii). Procedura zazwyczaj wygląda następująco:
- Pobranie wniosku: Na stronie internetowej Twojego OSD (np. PGE, Tauron, Enea, Energa, Innogy/Stoen Operator) znajdziesz formularz wniosku o przyłączenie mikroinstalacji.
- Wypełnienie wniosku: Wypełnij go starannie, podając wszystkie wymagane dane techniczne instalacji.
- Zebranie dokumentów: Do wniosku należy dołączyć szereg dokumentów, o których opowiem za chwilę.
- Złożenie wniosku: Wniosek wraz z załącznikami złożysz osobiście, pocztą lub elektronicznie (jeśli OSD oferuje taką możliwość).
- Oczekiwanie na wymianę licznika: Po pozytywnym rozpatrzeniu wniosku, OSD ma obowiązek w ciągu 30 dni od daty zgłoszenia wymienić Twój licznik energii na dwukierunkowy, który będzie mierzył zarówno pobór, jak i oddawanie energii.
Bez zgłoszenia i wymiany licznika, Twoja instalacja nie będzie mogła legalnie oddawać energii do sieci, a co za tym idzie, nie będziesz mógł korzystać z systemu rozliczeń.
Przeczytaj również: Podłącz falownik do pompy głębinowej: stałe ciśnienie i oszczędności!
Wymagane dokumenty: Certyfikaty, schematy i oświadczenia instalatora
Do wniosku o przyłączenie mikroinstalacji do OSD musisz dołączyć następujące dokumenty:
- Wniosek o przyłączenie mikroinstalacji: Poprawnie wypełniony formularz OSD.
- Schemat instalacji elektrycznej: Szczegółowy schemat jednokreskowy Twojej instalacji PV, pokazujący wszystkie komponenty (panele, inwerter, akumulatory, zabezpieczenia) oraz sposób ich podłączenia do sieci i instalacji domowej.
- Certyfikaty zgodności urządzeń (inwertera, paneli): Dokumenty potwierdzające, że panele fotowoltaiczne i inwerter spełniają europejskie normy i dyrektywy (np. CE, VDE).
- Oświadczenie instalatora o poprawności montażu i zgodności z normami: Dokument podpisany przez osobę z odpowiednimi uprawnieniami SEP, potwierdzający, że instalacja została wykonana zgodnie z projektem, instrukcjami producenta oraz obowiązującymi normami i przepisami prawa budowlanego.
Upewnij się, że masz wszystkie te dokumenty w komplecie i są one aktualne. Ich brak lub nieprawidłowe wypełnienie może znacznie opóźnić proces przyłączenia Twojej mikroinstalacji do sieci.
