Falownik trójfazowy klucz do stabilnej i wydajnej instalacji fotowoltaicznej powyżej 3,68 kW
- Falownik trójfazowy przekształca prąd stały (DC) z paneli PV na trójfazowy prąd przemienny (AC) 3x400V, zgodny z siecią energetyczną.
- Jest obowiązkowy w Polsce dla instalacji fotowoltaicznych o mocy powyżej 3,68 kW, zapewniając symetryczne obciążenie sieci.
- Jego działanie opiera się na trzech głównych etapach: optymalizacji mocy (MPPT), stabilizacji napięcia (szyna DC) i generowaniu prądu (mostek tranzystorowy).
- Kluczową techniką jest modulacja PWM, która precyzyjnie odtwarza sinusoidalny kształt napięcia dla każdej z trzech faz.
- W przeciwieństwie do jednofazowych, falowniki trójfazowe obsługują wyższe moce i równomiernie obciążają sieć, co jest ważne dla jej stabilności.

Czym jest falownik trójfazowy i dlaczego jest niezbędny?
Falownik trójfazowy, często nazywany inwerterem, to urządzenie, które pełni niezwykle ważną funkcję w systemach fotowoltaicznych. Jego podstawowym zadaniem jest przekształcanie prądu stałego (DC), generowanego przez panele słoneczne, na trójfazowy prąd przemienny (AC) o parametrach zgodnych z publiczną siecią energetyczną w Polsce, czyli 400V napięcia międzyfazowego i częstotliwości 50 Hz. Bez niego energia z paneli nie mogłaby być wykorzystana w naszych domach ani oddana do sieci.Definicja dla początkujących: Zamiana prądu stałego na przemienny
Wyobraźmy sobie falownik jako swego rodzaju "tłumacza" energii. Panele fotowoltaiczne produkują prąd stały taki, jakiego używają na przykład baterie. Nasze domowe urządzenia i cała sieć energetyczna potrzebują jednak prądu przemiennego. Zadaniem falownika jest właśnie to "tłumaczenie" zmiana charakteru prądu tak, aby był on zrozumiały i użyteczny dla naszej instalacji elektrycznej. W przypadku falownika trójfazowego, robi to dla trzech niezależnych obwodów, czyli faz.
Kluczowa rola w fotowoltaice: Jak łączy panele z domową siecią?
W Polsce falownik trójfazowy jest standardem i wręcz koniecznością w instalacjach fotowoltaicznych o mocy
Jedna faza czy trzy? Kiedy falownik trójfazowy jest w Polsce koniecznością?
Różnica między falownikiem jednofazowym a trójfazowym jest fundamentalna i sprowadza się do kilku kluczowych aspektów:
- Moc: Falowniki jednofazowe są przeznaczone dla mniejszych instalacji, zazwyczaj do 3,68 kW. Falowniki trójfazowe obsługują znacznie wyższe moce, od około 4 kW wzwyż, co czyni je idealnym wyborem dla większości domowych instalacji PV w Polsce.
- Napięcie wyjściowe: Falownik jednofazowy generuje prąd o napięciu 230V, natomiast trójfazowy dostarcza 3x400V (napięcie międzyfazowe). To pozwala na zasilanie odbiorników trójfazowych, takich jak pompy ciepła czy płyty indukcyjne, które są często spotykane w nowoczesnych domach.
- Symetria obciążenia: To chyba najważniejsza różnica. Falownik trójfazowy równomiernie obciąża wszystkie trzy fazy sieci, co jest krytyczne dla jej stabilności i zgodności z regulacjami OSD. Falownik jednofazowy obciąża tylko jedną fazę, co przy większej mocy mogłoby prowadzić do asymetrii i problemów z jakością energii w sieci.
- Złożoność konstrukcji: Ze względu na konieczność generowania trzech niezależnych faz, falowniki trójfazowe są bardziej złożone konstrukcyjnie, zawierają więcej komponentów, np. sześć tranzystorów zamiast czterech.

Podróż elektronu: Jak falownik tworzy trzy fazy krok po kroku?
Zrozumienie, jak falownik trójfazowy krok po kroku przekształca energię słoneczną w stabilny prąd przemienny, to klucz do docenienia jego zaawansowanej technologii. Przyjrzyjmy się tej fascynującej podróży elektronu, od paneli słonecznych aż po gniazdka w naszych domach.
Krok 1: Optymalizacja mocy z paneli, czyli rola układu MPPT
Pierwszym przystankiem dla prądu stałego z paneli jest stopień wejściowy falownika. W przypadku fotowoltaiki jest to najczęściej przetwornica podwyższająca napięcie, wyposażona w układ MPPT (Maximum Power Point Tracking). Moim zdaniem, to jeden z najbardziej inteligentnych elementów falownika. Jego zadaniem jest ciągłe monitorowanie parametrów prądu i napięcia z paneli oraz ich optymalizacja, aby w każdych warunkach niezależnie od nasłonecznienia czy temperatury uzyskać maksymalną możliwą moc. To trochę jak precyzyjne dostrajanie radia, aby zawsze złapać najlepszy sygnał.Krok 2: Magazyn energii po co falownikowi kondensatory w szynie DC?
Po optymalizacji, prąd stały trafia do obwodu pośredniego, nazywanego często szyną DC. Tutaj kluczową rolę odgrywają kondensatory. Działają one jak niewielki, tymczasowy magazyn energii. Ich zadaniem jest filtrowanie i stabilizowanie napięcia stałego, eliminując wszelkie pulsacje i wahania. Dzięki temu na wyjściu szyny DC mamy czyste, stabilne napięcie stałe, gotowe do dalszego przetworzenia. To zapewnia, że "serce" falownika mostek tranzystorowy będzie miało do dyspozycji idealnie przygotowaną energię.
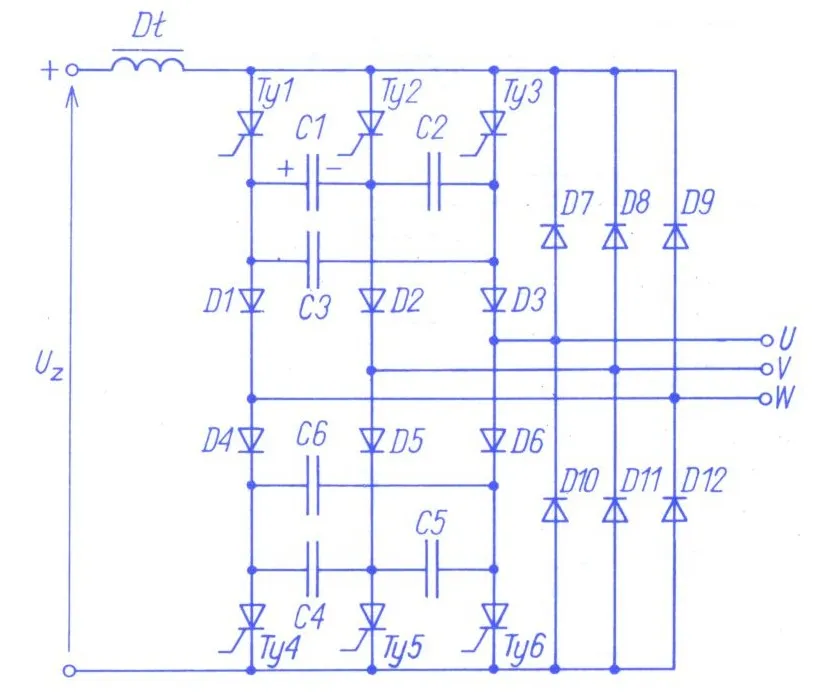
Krok 3: Serce urządzenia jak 6 tranzystorów generuje prąd trójfazowy?
To właśnie stopień wyjściowy, czyli mostek tranzystorowy, jest prawdziwym sercem falownika trójfazowego. Składa się on z sześciu tranzystorów (najczęściej typu IGBT Insulated Gate Bipolar Transistor), które działają jak niezwykle szybkie przełączniki. Te tranzystory są sterowane precyzyjnymi sygnałami PWM (Pulse Width Modulation), o czym opowiem za chwilę. Ich zadaniem jest przełączanie napięcia stałego z szyny DC w taki sposób, aby stworzyć trzy niezależne, sinusoidalne przebiegi prądu przemiennego, przesunięte względem siebie o 120 stopni. To właśnie tutaj magia konwersji DC na trójfazowe AC staje się rzeczywistością.

Magia w tle: Czym jest modulacja PWM i dlaczego jest tak ważna?
Modulacja szerokości impulsów, czyli PWM (Pulse Width Modulation), to technika, która, choć niewidoczna dla użytkownika, jest absolutnie kluczowa dla precyzyjnego i efektywnego działania falownika. To dzięki niej z prostego prądu stałego powstaje idealnie czysta sinusoida prądu przemiennego.
Jak z prostych impulsów powstaje idealna sinusoida?
Zasada działania PWM jest fascynująca. Falownik nie "rysuje" sinusoidy wprost. Zamiast tego, bardzo szybko włącza i wyłącza tranzystory w mostku. Kluczem jest tutaj zmiana "szerokości", czyli czasu trwania tych impulsów. Jeśli chcemy uzyskać wyższą wartość napięcia w danym momencie sinusoidy, impulsy są dłuższe. Jeśli niższą krótsze. Dzięki temu, że przełączanie odbywa się z bardzo dużą częstotliwością (nawet dziesiątki kHz), a następnie prąd jest filtrowany przez cewki i kondensatory, powstaje płynny, sinusoidalny kształt napięcia dla każdej z trzech faz. Co więcej, falownik musi zadbać o to, aby te trzy sinusoidy były idealnie przesunięte względem siebie o 120 stopni, co jest niezbędne dla prawidłowego działania sieci trójfazowej.
Rola mikroprocesora: Mózg operacji sterujący całym procesem
Za całą tę precyzję i synchronizację odpowiada mikroprocesor prawdziwy "mózg" falownika. To on na bieżąco analizuje dane z paneli, z sieci, a także z wewnętrznych czujników temperatury czy prądu. Na podstawie tych informacji generuje skomplikowane algorytmy sterujące sygnałami PWM, które z kolei otwierają i zamykają tranzystory w mostku. Bez tego zaawansowanego sterowania, uzyskanie stabilnego i wysokiej jakości prądu byłoby niemożliwe. Mikroprocesor dba o to, aby falownik pracował z maksymalną wydajnością i w pełnej zgodności z wymogami sieci.
Precyzja kluczem do sukcesu: Jak PWM wpływa na jakość prądu i żywotność urządzeń?
Precyzyjne generowanie sinusoidy za pomocą PWM ma ogromne znaczenie dla jakości prądu dostarczanego do sieci i podłączonych urządzeń. Niska jakość prądu, zniekształcona sinusoida, może prowadzić do nieefektywnej pracy urządzeń, ich szybszego zużycia, a nawet uszkodzeń. W kontekście sieci energetycznej, zniekształcenia harmoniczne mogą powodować problemy z jej stabilnością. Dlatego tak ważne jest, aby falownik generował prąd o jak najbardziej zbliżonym do idealnego kształcie sinusoidy. To gwarantuje nie tylko długotrwałą i bezawaryjną pracę samej instalacji fotowoltaicznej, ale także bezpieczeństwo i efektywność wszystkich urządzeń elektrycznych w naszym domu.
Anatomia falownika trójfazowego: Co znajdziesz pod obudową?
Zajrzyjmy teraz pod obudowę falownika trójfazowego, aby zrozumieć, z jakich kluczowych komponentów się składa. Każdy z nich pełni specyficzną funkcję, a ich harmonijna współpraca zapewnia efektywne działanie całego systemu.
Mostek tranzystorowy IGBT: Mięśnie wykonujące całą pracę
Jak już wspomniałem, mostek tranzystorowy IGBT (Insulated Gate Bipolar Transistor) to prawdziwe "mięśnie" falownika. To właśnie te półprzewodnikowe przełączniki, działające z niezwykłą szybkością, są odpowiedzialne za finalną konwersję prądu stałego na trójfazowy prąd przemienny. Ich wytrzymałość, szybkość przełączania i odporność na wysokie prądy są kluczowe dla wydajności i niezawodności falownika. To element, który pracuje pod największym obciążeniem i generuje najwięcej ciepła.
Układy sterujące i zabezpieczające: Gwarancja bezpieczeństwa i stabilności
Obok mostka tranzystorowego, niezwykle ważne są układy sterujące, z mikroprocesorem na czele, które precyzyjnie zarządzają pracą falownika. Równie istotne są układy zabezpieczające. Mówimy tu o ochronie przed przepięciami (zarówno po stronie DC, jak i AC), zwarciami, przegrzaniem, a także o monitorowaniu izolacji i synchronizacji z siecią. Te systemy zapewniają bezpieczeństwo zarówno falownika, jak i całej instalacji fotowoltaicznej oraz domowej sieci elektrycznej. Bez nich, awarie byłyby znacznie częstsze i bardziej dotkliwe.
System chłodzenia: Dlaczego odprowadzanie ciepła jest krytyczne dla działania?
Ponieważ komponenty falownika, zwłaszcza tranzystory i kondensatory, generują podczas pracy znaczne ilości ciepła, efektywny system chłodzenia jest absolutnie krytyczny. Przegrzewanie się podzespołów to jedna z głównych przyczyn awarii falowników. W zależności od konstrukcji, chłodzenie może być pasywne (radiatory) lub aktywne (wentylatory). Dobre odprowadzanie ciepła gwarantuje stabilną pracę, dłuższą żywotność urządzenia i utrzymanie wysokiej wydajności. Zawsze zwracam uwagę na jakość i wydajność systemu chłodzenia, ponieważ ma on bezpośredni wpływ na niezawodność.
Falownik trójfazowy w praktyce: Co musisz wiedzieć jako użytkownik?
Jako użytkownik instalacji fotowoltaicznej, warto znać kilka praktycznych aspektów dotyczących falowników trójfazowych. Pomoże to w świadomym wyborze, eksploatacji i zrozumieniu ewentualnych problemów.
Dobór mocy falownika do instalacji PV: najważniejsze zasady
Dobór mocy falownika do instalacji fotowoltaicznej to kluczowa kwestia. Zazwyczaj przyjmuje się, że moc falownika powinna wynosić 80-95% mocy paneli PV (tzw. przewymiarowanie). To pozwala na efektywne wykorzystanie energii nawet w warunkach optymalnego nasłonecznienia, jednocześnie chroniąc falownik przed przeciążeniem. Zbyt mała moc falownika będzie skutkować "obcinaniem" szczytowej produkcji, natomiast zbyt duża to niepotrzebny wydatek i niższa efektywność przy niższych mocach. Warto skonsultować to z doświadczonym instalatorem.
Symetryczne obciążenie sieci: Dlaczego to tak istotne dla Twojej instalacji i sąsiadów?
Temat symetrycznego obciążenia sieci jest niezwykle ważny. Falownik trójfazowy jest kluczowy dla równomiernego rozprowadzania mocy na wszystkie trzy fazy. Dzięki temu sieć energetyczna jest obciążona w sposób zrównoważony, co zapobiega lokalnym spadkom lub wzrostom napięcia. Asymetria obciążenia może prowadzić do niestabilności w sieci, problemów z jakością dostarczanej energii, a nawet do wyłączania się falowników zarówno w Twojej instalacji, jak i u sąsiadów podłączonych do tej samej linii. To kwestia odpowiedzialności i dbałości o stabilność całego systemu energetycznego.
Przeczytaj również: Niemcy: Zero elektrowni atomowych. Jakie są skutki Atomausstieg?
Najczęstsze błędy i problemy: Jak rozpoznać i na co zwracać uwagę?
Nawet najlepsze urządzenia mogą ulec awarii. Oto najczęstsze przyczyny problemów z falownikami:
- Przegrzewanie: Często spowodowane niewłaściwym montażem (brak wentylacji, bezpośrednie słońce) lub zanieczyszczeniem radiatorów. Może prowadzić do spadku wydajności i uszkodzenia podzespołów.
- Przepięcia: Mogą być wynikiem uderzeń piorunów (nawet pośrednich) lub awarii w sieci energetycznej. Dobre zabezpieczenia przeciwprzepięciowe są tu kluczowe.
- Zużycie kondensatorów: Kondensatory elektrolityczne mają ograniczoną żywotność, która skraca się w wysokich temperaturach. Ich zużycie objawia się spadkiem wydajności lub awarią falownika.
- Błędy w doborze mocy: Zbyt mały falownik będzie "obcinał" produkcję, a zbyt duży będzie pracował nieefektywnie.
Obecne trendy w rozwoju falowników zmierzają w kierunku jeszcze większej integracji i inteligencji. Coraz częściej spotykamy falowniki hybrydowe, które umożliwiają bezpośrednie podłączenie magazynów energii, optymalizując autokonsumpcję. Rozwijają się również zaawansowane systemy monitoringu i diagnostyki, pozwalające na zdalne śledzenie pracy instalacji i szybkie wykrywanie ewentualnych problemów, co znacząco ułatwia zarządzanie energią w domu.
